The point of this webpage is to show a quick local contrast enhancement method to pull out hidden spatial details.
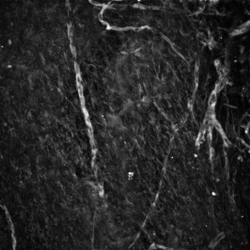
Imaging by 2-photon microscopy a red fluorescent protein approx 200 um inside mouse bone. Original images looked very blurry. Or you judge.
Single optical section original image followed by after 90% of 33 pixel neighborhood median filtered image subtracted. Original image was 2X shown here (1024 X 1024 voxels):


Images were collected at 10 um intervals in Z axis. Here is an example of maximum projection of 10 slices with and without median filtering subtraction:


And same with slices 7 through 11:


This is an example of an ImageJ macro to do this, although the code may need some tweaking for your specific needs. Here's another example where the user asked for a dialogue to change the neighborhood.
These images are very busy. Works even better where there are isolated features such as fluorescent cells.