Kinetix Camera - brochure
Short version: Typical imaging will use the Dynamic Range mode.
The Kinetix camera is very low noise. You may find that setting the maximum intensity at 6000 in 16 bits mode is more than enough signal to noise. The camera has a very large field of view and a few modes.
Sensitivity or Sub-Electron modes may be useful for people who need extra sensitivity but do not need speed. (In the 12 bit mode, be careful not to saturate!)
The 8-bit Speed mode is only for people who need the extra speed.
But consider that the 83 fps rate in Dynamic Range mode is full frame. Using a smaller field of view in the Y axis will increase speed.

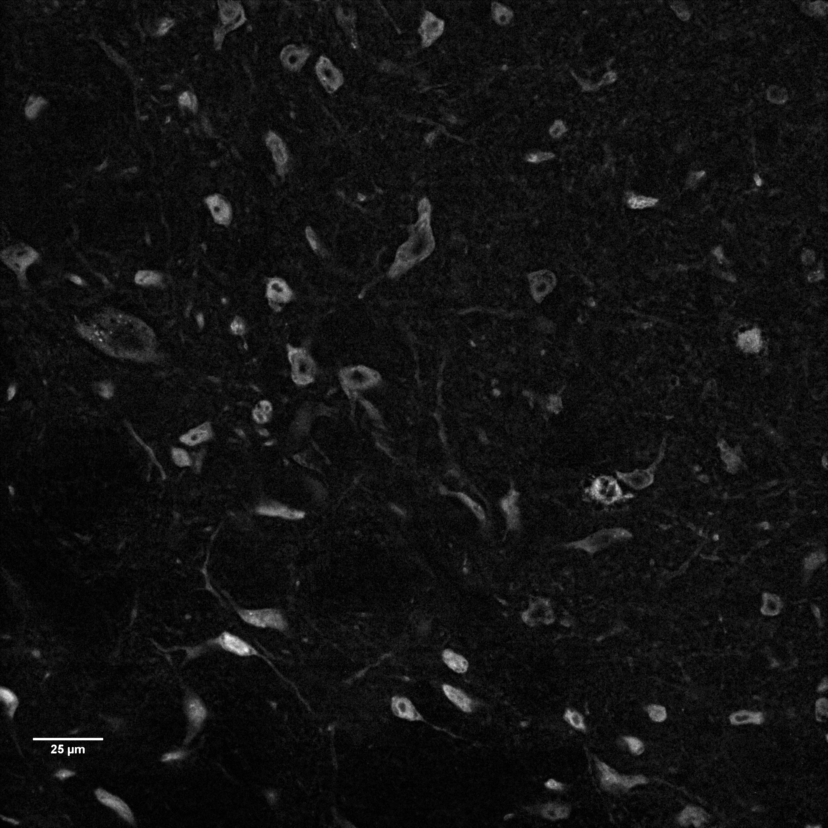
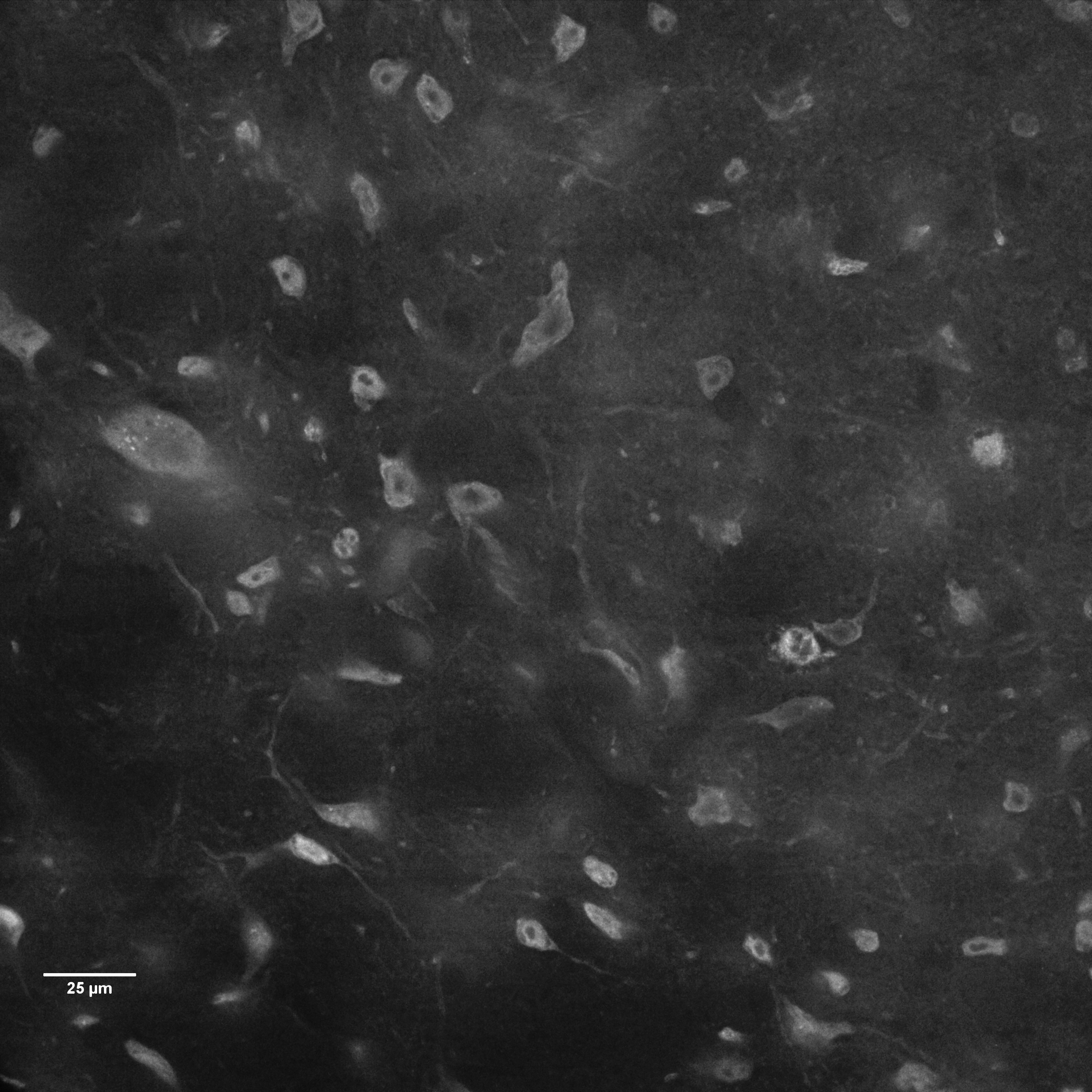
These pictures were taken in the Dynamic range mode. The samples were 30+ um thick and the goal of these images (in our first session with the microscope) was to assess field of view and general image quality. The sample was fixed, sectioned 30+ um, and stained for a neuronal marker with a green probe (probably Alexa 488). The 20X lens is plan apo NA 0.75 or 0.8.
For display purpsoses, images were linearly converted to 8 bits.
The first image's original intensity range was from 92 to 4497. 901 x 901 um at 2720 x 2720 pixels for a pixel size of 0.33 um. Exposure time 200 ms. Zoom up on the image to 100% to see full detail.
The same tissue imaged with a Plan Apo λ 60x/1.4 Oil Ph3 was a FOV of 295 x 295 um at the same 2720 x 2720 pixels with a pixel size of 0.108 um. With an original dynamic range of 89 to 950 taken at 200 ms, this is noticeably noisy, but still excellent quality. Given that 100 nm/px is oversampling, a 1 pixel radius median filter was applied too. And a version with an ImageJ rolling ball background subtraction and linear contrast tweaked by eye (regardless whether you think this is publishable).
A 3D version (although the scalebar may be wrong).
Data files get big fast. Each of these original 16 bits files is 14.8 MB. With three channels, 43.8 MB. Now multiply by number of tiles or Z planes. Or if live work, by time points.
Of course, you may choose a smaller FOV to image.
More examples/explanation of FOV here.